Transformátory zalité v PVC krytu
Transformátory zalité v PVC krytu IP54
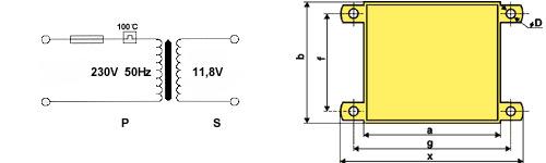
Transformátor uložený v odolném PVC krytu poskytuje elektrickou izolaci pro drsné a nepříznivé podmínky. PVC kryt poskytuje ochranu proti vlhkosti, prachu a korozi.
Vyrábíme jej v typové řadě TR 9600/60 až TR 9600/300.


| TYP | VÝKON [VA] |
JÁDRO [EI] |
a [mm] |
b [mm] |
VÝŠKA [mm] |
x [mm] |
g [mm] |
f [mm] |
D [mm] |
|
| Zalitý transformátor | TR9600/60 | 20 | 60/30 | 63,6 | 53,6 | 57,3 | 81,2 | 72,5 | 43,5 | 4,2 |
| Zalitý transformátor | TR9600/60 | 60 | 75/32,7 | 78,7 | 66,2 | 63,8 | 100 | 90 | 52,5 | 4,2 |
| Zalitý transformátor | TR9600/105 | 105 | 84/43,5 | 88,1 | 74,1 | 76,5 | 107,5 | 97,5 | 60 | 4,2 |
| Zalitý transformátor | TR9600/200 | 150 | 96/45,7 | 100,7 | 84,7 | 84,4 | 129,5 | 115 | 70 | 6,2 |
| Zalitý transformátor | TR9600/200 | 200 | 96/59,7 | 100,7 | 84,7 | 98,4 | 129,5 | 115 | 70 | 6,2 |
| Zalitý transformátor | TR9600/300 | 300 | 120/50 | 126,8 | 106,7 | 109 | 176,8 | 150,5 | 85 | 8,5 |
| Zalitý transformátor | TR9600/300 | 400 | 120/73 | 126,8 | 106,7 | 129 | 176,8 | 150,5 | 85 | 8,5 |
| Zalitý transformátor | TR9600/300 | 500 | 120/73 | 126,8 | 106,7 | 129 | 176,8 | 150,5 | 85 | 8,5 |
| Zalitý transformátor | TR9600/300 | 600 | 120/80 | 126,8 | 106,7 | 129 | 176,8 | 150,5 | 85 | 8,5 |
| TEPELNÁ TŘÍDA: | E 120°C |
| ZKRATOVÁ ODOLNOST: | ZKRATU PODMÍNĚNĚ ODOLNÝ |
| TŘÍDA OCHRANY: | II. |
| OCHRANA: | IP54 |
| JIŠTĚNÍ: | TEPELNÁ POISTKA VRATNÁ 120°C |
| ELEKTRICKÁ ODOLNOST: | 4,75kV |
| VÝVODY: | Síťový kabel nebo svorkovnice |
| IMPREGNACE: | Polyuretán |
| OKOLNÍ TEPLOTA: | ta40 |
Naše doporučení
- technické změny a převody mezi primárním a sekundárním zařízením jsou možné podle požadavků zákazníka











